
GEZM inch series radial spherical bearing with an extended inner ring on both sides; can be relubricated via lubrication holes and an annular groove in both rings. For bearing arrangements where a spacer sleeve is normally incorporated on both sides of the inner ring. C&H supply all kinds of premium quality spherical plain bearing which is made by the high quality bearing steel, processed with advanced lathing and grinding machine, heat treated with advanced heat treatment lines.
- Description
- Specification
- Application
- Cross No.
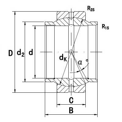
GEZM...ES Radial spherical plain bearing with an extended inner ring on both sides, Inch, Open
|
• Sliding contact surfaces: Steel/Steel • Rings: GCr15(100Cr6,SAE52100), case hardened, surface phosphated • outer ring with single axial fracture • with lubrication holes and groove in both rings • sliding contact surfaces cated with molybdenum disulphide ( MoS2 ) • cylindrical extensions on inner ring; As a result,spacers are not required if the bearing is fitted in a clevis |
![]() |
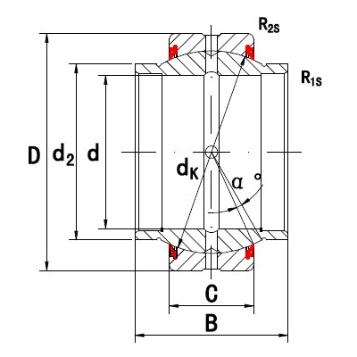
GEZM...ES-2RS Radial spherical plain bearing with an extended inner ring on both sides, Inch, With seals
|
• Sliding contact surfaces: Steel/Steel • Rings: GCr15(100Cr6,SAE52100), case hardened, surface phosphated • outer ring with single axial fracture • with lubrication holes and groove in both rings • sliding contact surfaces cated with molybdenum disulphide ( MoS2 ) • cylindrical extensions on inner ring; As a result,spacers are not required if the bearing is fitted in a clevis • lip seals on both sides • for operating temperatures from –30 °C to +130 °C |
![]() |
| Part Number | Part Number | d | D | B | B | dK | Weight |
| Inside | Outside | Inner Ring | Outer Ring | Spherical | |||
| open | with seals | Diameter | Diameter | Width | Width | Diameter | kg |
| GEZM008ES | 12.7 | 22.225 | 19.05 | 9.525 | 18 | 0.024 | |
| GEZM010ES | 15.875 | 26.998 | 23.8 | 11.913 | 23 | 0.038 | |
| GEZM012ES | GEZM012ES-2RS | 19.05 | 31.75 | 28.575 | 14.275 | 27.5 | 0.064 |
| GEZM014ES | GEZM014ES-2RS | 22.225 | 36.513 | 33.325 | 16.662 | 32 | 0.098 |
| GEZM100ES | GEZM100ES-2RS | 25.4 | 41.275 | 38.1 | 19.05 | 36.5 | 0.142 |
| GEZM104ES | GEZM104ES-2RS | 31.75 | 50.8 | 47.625 | 23.8 | 45.5 | 0.271 |
| GEZM106ES | GEZM106ES-2RS | 34.925 | 55.563 | 52.375 | 26.187 | 49 | 0.373 |
| GEZM108ES | GEZM108ES-2RS | 38.1 | 61.913 | 57.15 | 28.575 | 54.7 | 0.494 |
| GEZM112ES | GEZM112ES-2RS | 44.45 | 71.438 | 66.675 | 33.325 | 63.9 | 0.762 |
| GEZM200ES | GEZM200ES-2RS | 50.8 | 80.963 | 76.2 | 38.1 | 73 | 1.11 |
| GEZM204ES | GEZM204ES-2RS | 57.15 | 90.488 | 85.725 | 42.85 | 82 | 1.57 |
| GEZM208ES | GEZM208ES-2RS | 63.5 | 100.013 | 95.25 | 47.625 | 92 | 2.15 |
| GEZM212ES | GEZM212ES-2RS | 69.85 | 11.125 | 104.775 | 52.375 | 100 | 2.9 |
| GEZM300ES | GEZM300ES-2RS | 76.2 | 120.65 | 114.3 | 57.15 | 109.5 | 3.59 |
| GEZM304ES | GEZM304ES-2RS | 82.55 | 130.175 | 123.825 | 61.9 | 119 | 4.69 |
| GEZM308ES | GEZM308ES-2RS | 88.9 | 139.7 | 133.35 | 66.675 | 128 | 5.86 |
| GEZM312ES | GEZM312ES-2RS | 95.25 | 149.225 | 142.875 | 71.425 | 137 | 7.11 |
| GEZM400ES | GEZM400ES-2RS | 101.6 | 158.75 | 152.4 | 76.2 | 146 | 8.56 |
| GEZM408ES | GEZM408ES-2RS | 114.3 | 177.8 | 171.45 | 85.725 | 164.5 | 12.24 |
| GEZM500ES | GEZM500ES-2RS | 127 | 196.85 | 190.5 | 95.25 | 183 | 16.63 |
| GEZM600ES | GEZM600ES-2RS | 152.4 | 222.25 | 209.55 | 104.775 | 207 | 20.7 |
WARNING!
The manufacturer can not determine all applications of its prodcuts, it is up to the customer to determine a suitable part for their application. For assitance, please contact C&H Engineering Deparment.
| Radial spherical plain bearings with an extended inner ring, steel/steel, inch sizes | |||
| C&H | SKF | RBC | AURORA |
| GEZM008ES | GEZM008ES | B8-EL | GEWZ008ES |
| GEZM010ES | GEZM010ES | B10-EL | GEWZ010ES |
| GEZM012ES | GEZM012ES | B12-EL | GEWZ012ES |
| GEZM014ES | GEZM014ES | B14-EL | GEWZ014ES |
| GEZM100ES | GEZM100ES | B16-EL | GEWZ016ES |
| GEZM104ES | GEZM104ES | B20-EL | GEWZ020ES |
| GEZM106ES | GEZM106ES | B22-EL | GEWZ022ES |
| GEZM108ES | GEZM108ES | B24-EL | GEWZ024ES |
| GEZM112ES | GEZM112ES | B28-EL | GEWZ028ES |
| GEZM200ES | GEZM200ES | B32-EL | GEWZ032ES |
| GEZM204ES | GEZM204ES | B36-EL | GEWZ036ES |
| GEZM208ES | GEZM208ES | B40-EL | GEWZ040ES |
| GEZM212ES | GEZM212ES | B44-EL | GEWZ044ES |
| GEZM300ES | GEZM300ES | B48-EL | GEWZ048ES |
| GEZM304ES | GEZM304ES | B52-EL | GEWZ052ES |
| GEZM308ES | GEZM308ES | B56-EL | GEWZ056ES |
| GEZM312ES | GEZM312ES | B60-EL | GEWZ060ES |
| GEZM400ES | GEZM400ES | B64-EL | GEWZ064ES |
| GEZM408ES | GEZM408ES | B72-9L | GEWZ072ES |
| GEZM500ES | GEZM500ES | B80-9L | GEWZ080ES |
| GEZM600ES | GEZM600ES | B96-9L | GEWZ096ES |
| Radial spherical plain bearings with an extended inner ring, steel/steel, inch sizes, with seals | |||
| C&H | SKF | RBC | AURORA |
| GEZM012ES-2RS | GEZM012ES-2RS | B12-ELSS | GEWZ012ES |
| GEZM014ES-2RS | B14-ELSS | GEWZ014ES | |
| GEZM100ES-2RS | GEZM100ES-2RS | B16-ELSS | GEWZ016ES |
| GEZM104ES-2RS | GEZM104ES-2RS | B20-ELSS | GEWZ020ES |
| GEZM106ES-2RS | GEZM106ES-2RS | B22-ELSS | GEWZ022ES |
| GEZM108ES-2RS | GEZM108ES-2RS | B24-ELSS | GEWZ024ES |
| GEZM112ES-2RS | GEZM112ES-2RS | B28-ELSS | GEWZ028ES |
| GEZM200ES-2RS | GEZM200ES-2RS | B32-ELSS | GEWZ032ES |
| GEZM204ES-2RS | GEZM204ES-2RS | B36-ELSS | GEWZ036ES |
| GEZM208ES-2RS | GEZM208ES-2RS | B40-ELSS | GEWZ040ES |
| GEZM212ES-2RS | GEZM212ES-2RS | B44-ELSS | GEWZ044ES |
| GEZM300ES-2RS | GEZM300ES-2RS | B48-ELSS | GEWZ048ES |
| GEZM304ES-2RS | GEZM304ES-2RS | B52-ELSS | GEWZ052ES |
| GEZM308ES-2RS | GEZM308ES-2RS | B56-ELSS | GEWZ056ES |
| GEZM312ES-2RS | GEZM312ES-2RS | B60-ELSS | GEWZ060ES |
| GEZM400ES-2RS | GEZM400ES-2RS | B64-ELSS | GEWZ064ES |
| GEZM408ES-2RS | GEZM408ES-2RS | B72-9LSS | GEWZ072ES |
| GEZM500ES-2RS | GEZM500ES-2RS | B80-9LSS | GEWZ080ES |
| GEZM600ES-2RS | GEZM600ES-2RS | B96-9LSS | GEWZ096ES |




