
LV guide wheel
LV guide wheels can be widely used in the cylindrical track or " V " profile track with an angle of 120 degrees.Different from the series LFR bearings, series LV bearings are more adaptable to the different track sizes. Each type can be applied with a larger range of track diameters.They are widely used for the heavy-duty track, mobile equipment, wire straightening machine and so on.
- Description
- Specification
- Application
- Cross No.
Features
• Precision double row angular contact ball bearings with W profile outer ring• Rings and Balls- Ultra clean 52100 Bearing Steel or AISI440C stainless steel
• Grease-Chevron SRI Grease 2
• Seals- Sheet steel reinforced contact seal of acrylonitrile-butadiene rubber
• Shields-carbon sheet steel or SUS304C stainless steel sheet
• Cage-Nylon with fiberglass fill 25% (PA66 GF25)
|
C&H
|
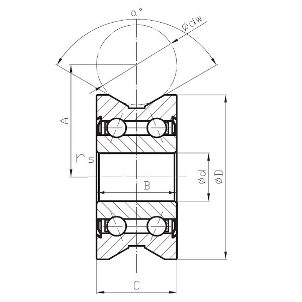
Principle Dimensions (mm)
|
Mass
|
Inerchage
|
|||||||
|---|---|---|---|---|---|---|---|---|---|---|
|
dw
|
d
|
D
|
B
|
C
|
A
|
α
|
rs
|
≈(kg)
|
||
| LV20/7 | 10 | 7 | 22 | 11 | 11 | 14.5 | 120 | 0.3 | 0.017 | RV 20/7-10 |
| LV20/8 | 10 | 8 | 30 | 14 | 14 | 18.1 | 120 | 0.3 | 0.049 | RV 20/8-10 |
| LV 201-14 | 14 | 12 | 39.9 | 20.1 | 18 | 24 | 100 | 0.5 | 0.107 | |
| LV 201 | 20 | 12 | 41 | 20 | 20 | 28 | 120 | 0.3 | 0.13 | RV 201/12-20 |
| LV 202-38 | 10 | 15 | 38 | 17 | 17 | 22.3 | 120 | 0.5 | 0.087 | RV 202/15.38-10 |
| LV 202-40 | 10 | 15 | 40 | 18 | 18 | 22 | 120 | 0.5 | 0.11 | RV 202/15.40-10 |
| LV 202-41 | 20 | 15 | 41 | 20 | 20 | 28 | 120 | 0.5 | 0.116 | RV 202/15.41-20 |
| LV 203 | 20 | 17 | 58 | 25 | 25 | 35 | 120 | 0.5 | 0.325 | RV 203/17-20 |
| LV 204-57 | 30 | 20 | 57 | 22 | 22 | 41 | 120 | 0.6 | 0.29 | RV 204/20.57-30 |
| LV 204-58 | 30 | 20 | 58 | 25 | 25 | 41 | 120 | 0.6 | 0.31 | RV 204/20.58-30 |
2. Avialave with AISI52100 and stainless steel AISI440C.
3. Avaible with metel shileds (suffix"ZZ")and rubber seals (suffix"2RS")
4. Shell Alvania S2 or Customer-sperified lubricants.
|
C&H
|
Principle Dimensions (mm)
|
Mass
|
Inerchage
|
|||||||
|---|---|---|---|---|---|---|---|---|---|---|
|
dw
|
d
|
D
|
B
|
C
|
A
|
α
|
rs
|
≈(kg)
|
||
| LV20/7 | 10 | 7 | 22 | 11 | 11 | 14.5 | 120 | 0.3 | 0.017 | RV 20/7-10 |
| LV20/8 | 10 | 8 | 30 | 14 | 14 | 18.1 | 120 | 0.3 | 0.049 | RV 20/8-10 |
| LV 201-14 | 14 | 12 | 39.9 | 20.1 | 18 | 24 | 100 | 0.5 | 0.107 | |
| LV 201 | 20 | 12 | 41 | 20 | 20 | 28 | 120 | 0.3 | 0.13 | RV 201/12-20 |
| LV 202-38 | 10 | 15 | 38 | 17 | 17 | 22.3 | 120 | 0.5 | 0.087 | RV 202/15.38-10 |
| LV 202-40 | 10 | 15 | 40 | 18 | 18 | 22 | 120 | 0.5 | 0.11 | RV 202/15.40-10 |
| LV 202-41 | 20 | 15 | 41 | 20 | 20 | 28 | 120 | 0.5 | 0.116 | RV 202/15.41-20 |
| LV 203 | 20 | 17 | 58 | 25 | 25 | 35 | 120 | 0.5 | 0.325 | RV 203/17-20 |
| LV 204-57 | 30 | 20 | 57 | 22 | 22 | 41 | 120 | 0.6 | 0.29 | RV 204/20.57-30 |
| LV 204-58 | 30 | 20 | 58 | 25 | 25 | 41 | 120 | 0.6 | 0.31 | RV 204/20.58-30 |
| LV guide wheels can be widely used in the cylindrical track or " V " profile track with an angle of 120 degrees.Different from the series LFR bearings, series LV bearings are more adaptable to the different track sizes. Each type can be applied with a larger range of track diameters. |
|
They are widely used for the • heavy-duty track • mobile equipment • wire straightening machine and so on |
![]() |
|
C&H
|
Principle Dimensions (mm)
|
Mass
|
Inerchage
|
|||||||
|---|---|---|---|---|---|---|---|---|---|---|
|
dw
|
d
|
D
|
B
|
C
|
A
|
α
|
rs
|
≈(kg)
|
||
| LV20/7 | 10 | 7 | 22 | 11 | 11 | 14.5 | 120 | 0.3 | 0.017 | RV 20/7-10 |
| LV20/8 | 10 | 8 | 30 | 14 | 14 | 18.1 | 120 | 0.3 | 0.049 | RV 20/8-10 |
| LV 201-14 | 14 | 12 | 39.9 | 20.1 | 18 | 24 | 100 | 0.5 | 0.107 | |
| LV 201 | 20 | 12 | 41 | 20 | 20 | 28 | 120 | 0.3 | 0.13 | RV 201/12-20 |
| LV 202-38 | 10 | 15 | 38 | 17 | 17 | 22.3 | 120 | 0.5 | 0.087 | RV 202/15.38-10 |
| LV 202-40 | 10 | 15 | 40 | 18 | 18 | 22 | 120 | 0.5 | 0.11 | RV 202/15.40-10 |
| LV 202-41 | 20 | 15 | 41 | 20 | 20 | 28 | 120 | 0.5 | 0.116 | RV 202/15.41-20 |
| LV 203 | 20 | 17 | 58 | 25 | 25 | 35 | 120 | 0.5 | 0.325 | RV 203/17-20 |
| LV 204-57 | 30 | 20 | 57 | 22 | 22 | 41 | 120 | 0.6 | 0.29 | RV 204/20.57-30 |
| LV 204-58 | 30 | 20 | 58 | 25 | 25 | 41 | 120 | 0.6 | 0.31 | RV 204/20.58-30 |


