
LFR Track roller
LFR rollers is economic for linear motion track rollers, they are be suit to the cylindrical track.
- Description
- Specification
- Application
- Cross No.
Features
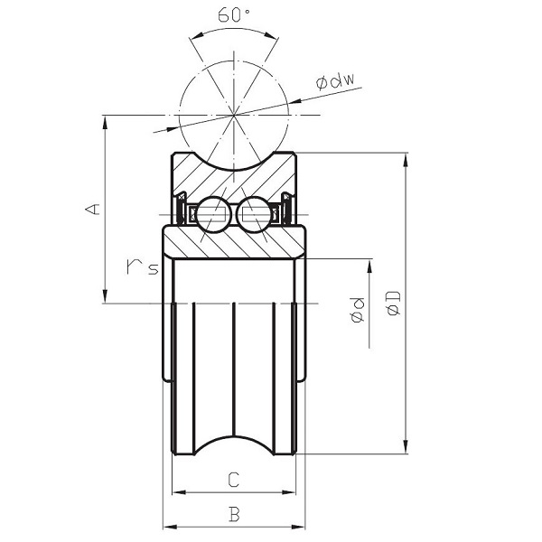
• LFR track roller based on double row angular contact ball design,the thicker outer rings with gothic arch groove profile
• Two points contact ( 60 degree) between gothic arch groove profile and shaft
• AISI 52100 (100Cr6) steel or stainless steel AISI 440 C ( DIN 1.14304)
• Nylon cage with fiberglass fill 25%
• Lubricant-Shell Alvania RLS2 grease
• SPCC shields or acrylonitrile-butadiene steel sheet reinforced (NBR) seals
• AISI 52100 (100Cr6) steel or stainless steel AISI 440 C ( DIN 1.14304)
• Nylon cage with fiberglass fill 25%
• Lubricant-Shell Alvania RLS2 grease
• SPCC shields or acrylonitrile-butadiene steel sheet reinforced (NBR) seals
| C&H | Dimensions (mm) | Mass | ||||||
| dw | d | D | C | B | A | rs | kg | |
| LFR50/4-4 | 4 | 4 | 13 | 6 | 7.55 | 8.04 | 0,2 | 0,007 |
| LFR50/5-4 | 4 | 5 | 16 | 7 | 8 | 9 | 0,2 | 0,009 |
| LFR50/5-6 | 6 | 5 | 17 | 7 | 8 | 10,5 | 0,2 | 0,010 |
| LFR50/6-6 | 6 | 6 | 19 | 8,5 | 9 | 11,5 | 0,3 | 0,013 |
| LFR50/8-6 | 6 | 8 | 24 | 11 | 11 | 14 | 0,3 | 0,020 |
| LFR 50/8-8 | 8 | 8 | 24 | 11 | 11 | 14,75 | 0,3 | 0,020 |
| LFR5201-10 | 10 | 12 | 35 | 15,9 | 15,9 | 20,65 | 0,3 | 0,068 |
| LFR5201-12 | 12 | 12 | 35 | 15,9 | 15,9 | 21,75 | 0,3 | 0,068 |
| LFR5201-14 | 14 | 12 | 39,9 | 18 | 20 | 24 | 0,3 | 0,095 |
| LFR5201-10.40 | 10 | 12 | 39,9 | 18 | 20 | 22 | 0,3 | 0,115 |
| LFR5301-10 | 10 | 12 | 42 | 19 | 19 | 24 | 0,6 | 0,130 |
| LFR5301-20 | 20 | 12 | 42 | 19 | 19 | 28 | 0,6 | 0,125 |
| LFR5202-12 | 12 | 15 | 45 | 15,9 | 15,9 | 26,5 | 0,6 | 0,120 |
| LFR5302-10 | 10 | 15 | 47 | 19 | 19 | 26,65 | 1 | 0,163 |
| LFR5204-16 | 16 | 20 | 52 | 20,6 | 22,6 | 31,5 | 0,6 | 0,195 |
| LFR5206-20 | 20 | 25 | 72 | 23,8 | 25,8 | 41 | 0,6 | 0,435 |
| LFR5206-25 | 25 | 25 | 72 | 23,8 | 25,8 | 43,5 | 0,6 | 0,425 |
| LFR5207-30 | 30 | 30 | 80 | 27 | 29 | 51 | 1 | 0,660 |
| LFR5208-40 | 40 | 40 | 98 | 36 | 38 | 62,5 | 1 | 1,360 |
| LFR5308-50 | 50 | 40 | 110 | 44 | 46 | 72,5 | 1,1 | 1,400 |
2. For standard grease, the service temperature range would be from -35℃ to +100℃
3. Special grease and custom made is accetable.
Code System
LFR...ZZ with two shields
LFR...2RS with two NBR seals (acrylonitrile-butadiene rubber sheet steel reinforced)
SLFR...2RS made from stainless steel AISI 440 C and with two NBR seals
| Designation | Dimensions (mm) | Mass | ||||||
| C&H | dw | d | D | C | B | A | rs | kg |
| LFR50/4-4-2Z | 4 | 4 | 13 | 6 | 7.55 | 8.04 | 0,2 | 0,007 |
| LFR50/5-4 2Z | 4 | 5 | 16 | 7 | 8 | 9 | 0,2 | 0,009 |
| LFR50/5-6-2Z | 6 | 5 | 17 | 7 | 8 | 10,5 | 0,2 | 0,010 |
| LFR50/6-6-2Z | 6 | 6 | 19 | 8,5 | 9 | 11,5 | 0,3 | 0,013 |
| LFR50/8-6-2Z | 6 | 8 | 24 | 11 | 11 | 14 | 0,3 | 0,020 |
| LFR 50/8-8-2Z | 8 | 8 | 24 | 11 | 11 | 14,75 | 0,3 | 0,020 |
| LFR5201-10-2Z | 10 | 12 | 35 | 15,9 | 15,9 | 20,65 | 0,3 | 0,068 |
| LFR5201-12-2Z | 12 | 12 | 35 | 15,9 | 15,9 | 21,75 | 0,3 | 0,068 |
| LFR5201-14-2Z | 14 | 12 | 39,9 | 18 | 20 | 24 | 0,3 | 0,095 |
| LFR5201-10.40-2Z | 10 | 12 | 39,9 | 18 | 20 | 22 | 0,3 | 0,115 |
| LFR5301-10-2Z | 10 | 12 | 42 | 19 | 19 | 24 | 0,6 | 0,130 |
| LFR5301-20-2Z | 20 | 12 | 42 | 19 | 19 | 28 | 0,6 | 0,125 |
| LFR5202-12-2Z | 12 | 15 | 45 | 15,9 | 15,9 | 26,5 | 0,6 | 0,120 |
| LFR5302-10-2Z | 10 | 15 | 47 | 19 | 19 | 26,65 | 1 | 0,163 |
| LFR5204-16-2Z | 16 | 20 | 52 | 20,6 | 22,6 | 31,5 | 0,6 | 0,195 |
| LFR5206-20-2Z | 20 | 25 | 72 | 23,8 | 25,8 | 41 | 0,6 | 0,435 |
| LFR5206-25-2Z | 25 | 25 | 72 | 23,8 | 25,8 | 43,5 | 0,6 | 0,425 |
| LFR5207-30-2Z | 30 | 30 | 80 | 27 | 29 | 51 | 1 | 0,660 |
| LFR5208-40-2Z | 40 | 40 | 98 | 36 | 38 | 62,5 | 1 | 1,360 |
| LFR5308-50-2Z | 50 | 40 | 110 | 44 | 46 | 72,5 | 1,1 | 1,400 |
| LFR50/4-4-2RS | 4 | 4 | 13 | 6 | 7.55 | 8.04 | 0,2 | 0,007 |
| LFR50/5-4 2RS | 4 | 5 | 16 | 7 | 8 | 9 | 0,2 | 0,009 |
| LFR50/5-6-2RS | 6 | 5 | 17 | 7 | 8 | 10,5 | 0,2 | 0,010 |
| LFR50/6-6-2RS | 6 | 6 | 19 | 8,5 | 9 | 11,5 | 0,3 | 0,013 |
| LFR50/8-6-2RS | 6 | 8 | 24 | 11 | 11 | 14 | 0,3 | 0,020 |
| LFR 50/8-8-2RS | 8 | 8 | 24 | 11 | 11 | 14,75 | 0,3 | 0,020 |
| LFR5201-10-2RS | 10 | 12 | 35 | 15,9 | 15,9 | 20,65 | 0,3 | 0,068 |
| LFR5201-12-2RS | 12 | 12 | 35 | 15,9 | 15,9 | 21,75 | 0,3 | 0,068 |
| LFR5201-14-2RS | 14 | 12 | 39,9 | 18 | 20 | 24 | 0,3 | 0,095 |
| LFR5201-10.40-2RS | 10 | 12 | 39,9 | 18 | 20 | 22 | 0,3 | 0,115 |
| LFR5301-10-2RS | 10 | 12 | 42 | 19 | 19 | 24 | 0,6 | 0,130 |
| LFR5301-20-2RS | 20 | 12 | 42 | 19 | 19 | 28 | 0,6 | 0,125 |
| LFR5202-12-2RS | 12 | 15 | 45 | 15,9 | 15,9 | 26,5 | 0,6 | 0,120 |
| LFR5302-10-2RS | 10 | 15 | 47 | 19 | 19 | 26,65 | 1 | 0,163 |
| LFR5204-16-2RS | 16 | 20 | 52 | 20,6 | 22,6 | 31,5 | 0,6 | 0,195 |
| LFR5206-20-2RS | 20 | 25 | 72 | 23,8 | 25,8 | 41 | 0,6 | 0,435 |
| LFR5206-25-2RS | 25 | 25 | 72 | 23,8 | 25,8 | 43,5 | 0,6 | 0,425 |
| LFR5207-30-2RS | 30 | 30 | 80 | 27 | 29 | 51 | 1 | 0,660 |
| LFR5208-40-2RS | 40 | 40 | 98 | 36 | 38 | 62,5 | 1 | 1,360 |
| LFR5308-50-2RS | 50 | 40 | 110 | 44 | 46 | 72,5 | 1,1 | 1,400 |
| SLFR50/4-4-2RS | 4 | 4 | 13 | 6 | 7.55 | 8.04 | 0,2 | 0,007 |
| SLFR50/5-4 2RS | 4 | 5 | 16 | 7 | 8 | 9 | 0,2 | 0,009 |
| SLFR50/5-6-2RS | 6 | 5 | 17 | 7 | 8 | 10,5 | 0,2 | 0,010 |
| SLFR50/6-6-2RS | 6 | 6 | 19 | 8,5 | 9 | 11,5 | 0,3 | 0,013 |
| SLFR50/8-6-2RS | 6 | 8 | 24 | 11 | 11 | 14 | 0,3 | 0,020 |
| SLFR 50/8-8-2RS | 8 | 8 | 24 | 11 | 11 | 14,75 | 0,3 | 0,020 |
| SLFR5201-10-2RS | 10 | 12 | 35 | 15,9 | 15,9 | 20,65 | 0,3 | 0,068 |
| SLFR5201-12-2RS | 12 | 12 | 35 | 15,9 | 15,9 | 21,75 | 0,3 | 0,068 |
| SLFR5201-14-2RS | 14 | 12 | 39,9 | 18 | 20 | 24 | 0,3 | 0,095 |
| SLFR5201-10.40-2RS | 10 | 12 | 39,9 | 18 | 20 | 22 | 0,3 | 0,115 |
| SLFR5301-10-2RS | 10 | 12 | 42 | 19 | 19 | 24 | 0,6 | 0,130 |
| SLFR5301-20-2RS | 20 | 12 | 42 | 19 | 19 | 28 | 0,6 | 0,125 |
| SLFR5202-12-2RS | 12 | 15 | 45 | 15,9 | 15,9 | 26,5 | 0,6 | 0,120 |
| SLFR5302-10-2RS | 10 | 15 | 47 | 19 | 19 | 26,65 | 1 | 0,163 |
| SLFR5204-16-2RS | 16 | 20 | 52 | 20,6 | 22,6 | 31,5 | 0,6 | 0,195 |
| SLFR5206-20-2RS | 20 | 25 | 72 | 23,8 | 25,8 | 41 | 0,6 | 0,435 |
| SLFR5206-25-2RS | 25 | 25 | 72 | 23,8 | 25,8 | 43,5 | 0,6 | 0,425 |
| SLFR5207-30-2RS | 30 | 30 | 80 | 27 | 29 | 51 | 1 | 0,660 |
| SLFR5208-40-2RS | 40 | 40 | 98 | 36 | 38 | 62,5 | 1 | 1,360 |
| SLFR5308-50-2RS | 50 | 40 | 110 | 44 | 46 | 72,5 | 1,1 | 1,400 |
Track roller LFR is widely used in cylindrical track.
The rollers are also known for its excellent load capabilities, long life, high accuracy and repeatability in operating environments of dirt, dust, metal, wood chips, food, washdown, textile fiber
• Machine tool doors
• Vending machines
• Woodworking machinery
• Carpet and textile machinery
• Laboratory automation
• Paper converting equipment
• Packaging machinery
The rollers are also known for its excellent load capabilities, long life, high accuracy and repeatability in operating environments of dirt, dust, metal, wood chips, food, washdown, textile fiber
• Machine tool doors
• Vending machines
• Woodworking machinery
• Carpet and textile machinery
• Laboratory automation
• Paper converting equipment
• Packaging machinery
| C&H | INA ( OLD ) | INA ( NEW ) | NIKO | Suggestted Bolts |
two shields |
||||
| LFR50/4-4-ZZ | LFR50/4-4 2Z | |||
| LFR50/5-4-ZZ | LFR50/5-4 KDD | LFR50/5-4-2Z | LFR50/5-4 2Z | LFZ5, LFE5-0.5 |
| LFR50/5-6-ZZ | LFR50/5-6 KDD | LFR50/5-6-2Z | LFR50/5-6 2Z | LFZ5, LFE5-1 |
| LFR50/8-6-ZZ | LFR50/8-6 KDD | LFR50/8-6-2Z | LFR50/8-6 2Z | LFZ8, LFE8-1 |
| LFR5201-10-ZZ | LFR5201-10 KDD | LFR5201-10-2Z | LFR5201-10 2Z | LFZ12, LFE12-1 |
| LFR5301-10-ZZ | LFR5301-10 KDD | LFR5301-10-2Z | LFR5301-10 2Z | LFZ12/M12, LFE12-1/M12 |
| LFR5302-10-ZZ | LFR5302-10 KDD | LFR5302-10-2Z | LFR5302-10 2Z | LFZ15, LFE15-1 |
| LFR5201-12-ZZ | LFR5201-12 KDD | LFR5201-12-2Z | LFR5201-12 2Z | LFZ12x45A1, LFE12x45A1 |
| LFR5202-12-ZZ | ||||
| LFR5201-14-ZZ | LFR5201-14 2Z | |||
| LFR5204-16-ZZ | LFR5204-16 KDD | LFR5204-16-2Z | LFR5204-16 2Z | LFZ20x67A1, LFE20x67A1 |
| LFR5206-20-ZZ | LFR5206-20 KDD | LFR5206-20-2Z | LFR5206-20 2Z | LFZ25x82A1, LFE25x82A1 |
| LFR5301-20-ZZ | ||||
| LFR5206-25-ZZ | LFR5206-25 KDD | LFR5206-25-2Z | LFR5206-25 2Z | LFZ25x82A1, LFE25x82A1 |
| LFR5207-30-ZZ | LFR5207-30 KDD | LFR5207-30-2Z | LFR5207-30 2Z | LFZ30x95A1, LFE30x95A1 |
| LFR5208-40-ZZ | LFR5208-40 KDD | LFR5208-40-2Z | LFR5208-40 2Z | LFZ40x105A1, LFE40x105A1 |
| LFR5308-50-ZZ | LFR5308-50 KDD | LFR5308-50-2Z | LFR5308-50 2Z | LFZ40x115A1, LFE40x115A1 |
two seals |
||||
| LFR50/4-4-2RS | LFR50/4-4 2RS | |||
| LFR50/5-4-2RS | LFR50/5-4 NPP | LFR50/5-4-2RS | LFR50/5-4 2RS | LFZ5, LFE5-0.5 |
| LFR50/5-6-2RS | LFR50/5-6 NPP | LFR50/5-6-2RS | LFR50/5-6 2RS | LFZ5, LFE5-1 |
| LFR50/8-6-2RS | LFR50/8-6 NPP | LFR50/8-6-2RS | LFR50/8-6 2RS | LFZ8, LFE8-1 |
| LFR5201-10-2RS | LFR5201-10 NPP | LFR5201-10-2RS | LFR5201-10 2RS | LFZ12, LFE12-1 |
| LFR5301-10-2RS | LFR5301-10 NPP | LFR5301-10-2RS | LFR5301-10 2RS | LFZ12/M12, LFE12-1/M12 |
| LFR5302-10-2RS | LFR5302-10 NPP | LFR5302-10-2RS | LFR5302-10 2RS | LFZ15, LFE15-1 |
| LFR5201-12-2RS | LFR5201-12 NPP | LFR5201-12-2RS | LFR5201-12 2RS | LFZ12x45A1, LFE12x45A1 |
| LFR5202-12-2RS | ||||
| LFR5201-14-2RS | LFR5201-14 2RS | |||
| LFR5204-16-2RS | LFR5204-16 NPP | LFR5204-16-2RS | LFR5204-16 2RS | LFZ20x67A1, LFE20x67A1 |
| LFR5206-20-2RS | LFR5206-20 NPP | LFR5206-20-2RS | LFR5206-20 2RS | LFZ25x82A1, LFE25x82A1 |
| LFR5301-20-2RS | ||||
| LFR5206-25-2RS | LFR5206-25 NPP | LFR5206-25-2RS | LFR5206-25 2RS | LFZ25x82A1, LFE25x82A1 |
| LFR5207-30-2RS | LFR5207-30 NPP | LFR5207-30-2RS | LFR5207-30 2RS | LFZ30x95A1, LFE30x95A1 |
| LFR5208-40-2RS | LFR5208-40 NPP | LFR5208-40-2RS | LFR5208-40 2RS | LFZ40x105A1, LFE40x105A1 |
| LFR5308-50-2RS | LFR5308-50 NPP | LFR5308-50-2RS | LFR5308-50 2RS | LFZ40x115A1, LFE40x115A1 |
Stainless steel AISI 440 C, two seals |
||||
| SLFR50/4-4-2RS | ||||
| SLFR50/5-4-2RS | LFR50/5-4-2RS-RB | LFZ5, LFE5-0.5 | ||
| SLFR50/5-6-2RS | LFR50/5-6-2RS-RB | LFZ5, LFE5-1 | ||
| SLFR50/8-6-2RS | LFR50/8-6-2RS-RB | LFZ8, LFE8-1 | ||
| SLFR5201-10-2RS | LFR5201-10-2RS-RB | LFZ12, LFE12-1 | ||
| SLFR5301-10-2RS | LFR5301-10-2RS-RB | LFZ12/M12, LFE12-1/M12 | ||
| SLFR5302-10-2RS | LFR5302-10-2RS-RB | LFZ15, LFE15-1 | ||
| SLFR5201-12-2RS | LFR5201-12-2RS-RB | LFZ12x45A1, LFE12x45A1 | ||
| SLFR5202-12-2RS | ||||
| SLFR5201-14-2RS | ||||
| SLFR5204-16-2RS | LFR5204-16-2RS-RB | LFZ20x67A1, LFE20x67A1 | ||
| SLFR5206-20-2RS | LFR5206-20-2RS-RB | LFZ25x82A1, LFE25x82A1 | ||
| SLFR5301-20-2RS | ||||
| SLFR5206-25-2RS | LFR5206-25-2RS-RB | LFZ25x82A1, LFE25x82A1 | ||
| SLFR5207-30-2RS | LFR5207-30-2RS-RB | LFZ30x95A1, LFE30x95A1 | ||
| SLFR5208-40-2RS | LFR5208-40-2RS-RB | LFZ40x105A1, LFE40x105A1 | ||
| SLFR5308-50-ZZ | LFR5308-50-KDD-RB | LFZ40x115A1, LFE40x115A1 | ||

