
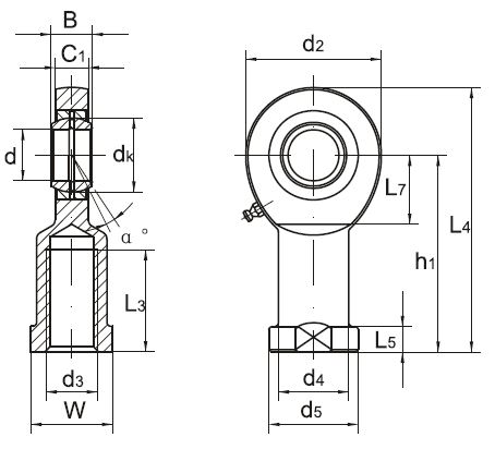
SI-ES,SI-ES-2RS
It is made of radial spherical plain bearing GE-ES and GE-ES.2RS and rod body Surface of rod body zinc plated,housing of SI-ES with a lubricating hole or grease nipple.
- Description
- Specification
- Application
- Cross No.
|
ITEM
|
Dimension(mm)
|
|||||||||||||
|
|
d
|
d3
|
B
|
C1
|
L3
|
W
|
d2
|
h1
|
L4
|
L5
|
d4
|
d5
|
dk
|
a
|
|
|
|
6H
|
|
|
min
|
|
|
|
|
|
|
|
|
≈
|
|
SI6E*
|
6
|
M6x1.0
|
6
|
4.4
|
11
|
11
|
21
|
30
|
40.5
|
5
|
10
|
13
|
10
|
13
|
|
SI8E*
|
8
|
M8x1.25
|
8
|
6.0
|
15
|
14
|
24
|
36
|
48
|
5
|
12.5
|
16
|
13
|
15
|
|
SI10E*
|
10
|
M10x1.5
|
9
|
7.0
|
20
|
17
|
29
|
43
|
57.5
|
6.5
|
15
|
19
|
16
|
12
|
|
SI12E*
|
12
|
M12x1.75
|
10
|
8.0
|
23
|
19
|
34
|
50
|
67
|
6.5
|
17.5
|
22
|
18
|
11
|
|
SI15ES
|
15
|
M14x2.0
|
12
|
10
|
30
|
22
|
40
|
61
|
81
|
8
|
21
|
26
|
22
|
8
|
|
SI17ES
|
17
|
M16x2.0
|
14
|
11
|
34
|
27
|
46
|
67
|
90
|
10
|
24
|
30
|
25
|
10
|
|
SI20ES
|
20
|
M20x1.5
|
16
|
13
|
40
|
32
|
53
|
77
|
103.5
|
10
|
27.5
|
35
|
29
|
9
|
|
SI25ES
|
25
|
M24x2.0
|
20
|
17
|
48
|
36
|
64
|
94
|
126
|
12
|
33.5
|
42
|
35.5
|
7
|
|
SI30ES
|
30
|
M30x2.0
|
22
|
19
|
56
|
41
|
73
|
110
|
146.5
|
15
|
40
|
50
|
40.7
|
6
|
|
SI35ES
|
35
|
M36x3.0
|
25
|
21
|
60
|
50
|
82
|
125
|
166
|
15
|
47
|
58
|
47
|
6
|
|
SI40ES
|
40
|
M39x3.0
|
28
|
23
|
65
|
55
|
92
|
142
|
188
|
18
|
52
|
65
|
53
|
7
|
|
SI40-1ES
|
40
|
M42x3.0
|
28
|
23
|
65
|
55
|
92
|
142
|
188
|
18
|
52
|
65
|
53
|
7
|
|
SI45ES
|
45
|
M42x3.0
|
32
|
27
|
65
|
60
|
102
|
145
|
196
|
20
|
58
|
70
|
60
|
7
|
|
SI45-1ES
|
45
|
M45x3.0
|
32
|
27
|
65
|
60
|
102
|
145
|
196
|
20
|
58
|
70
|
60
|
7
|
|
SI50ES
|
50
|
M45x3.0
|
35
|
30
|
68
|
65
|
112
|
160
|
216
|
20
|
62
|
75
|
66
|
6
|
|
SI50-1ES
|
50
|
M52x3.0
|
35
|
30
|
68
|
65
|
112
|
160
|
216
|
20
|
62
|
75
|
66
|
6
|
|
SI60ES
|
60
|
M52x3.0
|
44
|
38
|
70
|
75
|
135
|
175
|
242.5
|
20
|
70
|
88
|
80
|
6
|
|
SI60-1ES
|
60
|
M60x4.0
|
44
|
38
|
70
|
75
|
135
|
175
|
242.5
|
20
|
70
|
88
|
80
|
6
|
|
SI70ES
|
70
|
M56x4.0
|
49
|
42
|
80
|
85
|
160
|
200
|
280
|
20
|
80
|
98
|
92
|
6
|
|
SI70-1ES
|
70
|
M72x4.0
|
49
|
42
|
80
|
85
|
160
|
200
|
280
|
20
|
80
|
98
|
92
|
6
|
|
SI80ES
|
80
|
M64x4.0
|
55
|
47
|
85
|
100
|
180
|
230
|
320
|
25
|
95
|
110
|
105
|
6
|
|
SI80-1ES
|
80
|
M80x4.0
|
55
|
47
|
85
|
100
|
180
|
230
|
320
|
25
|
95
|
110
|
105
|
6
|
