
- Description
- Specification
- Application
- Cross No.
|
Code
|
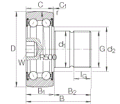
D
|
d1
|
B
|
B1
|
B2
|
C
|
C1
|
d2
|
G
|
|
mm
|
mm | mm |
max
|
mm | mm | mm | mm | mm | |
|
KR5201-2RS
|
35
|
12
|
49,2
|
17
|
32,5
|
15,9
|
0,8
|
17,1
|
M12X1,5
|
|
KR5202-2RS
|
40
|
16
|
53,2
|
17
|
36,5
|
15,9
|
0,8
|
20
|
M16X1,5
|
|
KR5203-2RS
|
47
|
18
|
58,8
|
18,5
|
40,5
|
17,5
|
0,8
|
22,9
|
M18X1,5
|
|
KR5204-2RS
|
52
|
20
|
63,6
|
22,5
|
41,5
|
20,6
|
1,5
|
26,8
|
M20X1,5
|
|
KR5205-2RS
|
62
|
24
|
70,9
|
21,5
|
49,5
|
20,6
|
0,8
|
30,3
|
M24X1,5
|
|
KR5206-2RS
|
72
|
24
|
74,1
|
25
|
49,5
|
23,8
|
0,8
|
37,3
|
M24X1,5
|
|
KR5207-2RS
|
80
|
30
|
91
|
28
|
63
|
27
|
1
|
42,4
|
M30X1,5
|
|
Code
|
IG
|
R
|
rmin
|
W
|
mass
|
MA
|
Cr w
|
C0r w
|
Cur w
|
nD G
|
| mm | mm | mm | mm | kg | Nm | N | N | N | 1/min | |
| KR5201-2RS | 17 | 500 | 0,6 | 6 | 0,12 | 45 | 8700 | 5200 | 260 | 7500 |
| KR5202-2RS | 19 | 500 | 0,6 | 8 | 0,19 | 70 | 10000 | 6300 | 320 | 7000 |
| KR5203-2RS | 21 | 500 | 0,6 | 8 | 0,29 | 115 | 12800 | 8400 | 420 | 5500 |
| KR5204-2RS | 21 | 500 | 1 | 10 | 0,38 | 160 | 16100 | 10700 | 550 | 5000 |
| KR5205-2RS | 25 | 500 | 1 | 10 | 0,58 | 290 | 18800 | 13200 | 670 | 4500 |
| KR5206-2RS | 25 | 500 | 1 | 10 | 0,8 | 290 | 25000 | 18000 | 930 | 3500 |
| KR5207-2RS | 32 | 500 | 1,1 | 12 | 1,2 | 600 | 31000 | 22800 | 1200 | 2800 |


