
Full stainless steel,ball sliding surface is precision ground, outer race is lined with PTFE composite.Outer ring is pressed around inner ring.
- Description
- Specification
- Application
- Cross No.
Same dimension of GE..UK and GE...FW, Maitenance free
Sliding contact surface: Stainless Steel/PTFE
SGE..UK and SGE..FW Series is 2-piece metric range of general purpose spherical plain bearings incorporating a thin PTFE composite between the ball and the outer ring, suitable for high shock loads and medium to heavy industrial/mechanical load applications requiring low friction. They do not require maintenance.
Material Specifications
--Outer ring: Stainless Steel 304
-- Liner: PTFE composite.
--Ball: Stainless Steel 440C
--Temperature Range: -50°C to +150°C
--ELV & RoHS compliant
Features
--Low friction, Self-lubricating, High shock loads, Extended wear life, No maintenance
Material Specifications for high temperature
--Outer ring: Stainless Steel 304
--Liner: High Temperature PTFE composite.
--Ball: Stainless Steel 440C
--Temperature Range: -200°C to +260°C
--ELV & RoHS compliant
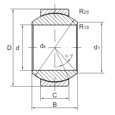
| Part | d | D | B | C | dK | Weight | SKF |
| Number | Inside | Outside | Inner Ring | Outer Ring | Spherical | ||
| Diameter | Diameter | Width | Width | Diameter | kg | ||
| SGE 4 UK | 4 | 12 | 5 | 3 | 8 | 0.003 | |
| SGE 6 UK | 6 | 14 | 6 | 4 | 10 | 0.004 | |
| SGE 8 UK | 8 | 16 | 8 | 5 | 13 | 0.008 | |
| SGE 10 UK | 10 | 19 | 9 | 6 | 16 | 0.011 | |
| SGE 12 UK | 12 | 22 | 10 | 7 | 18 | 0.015 | GE 12 TXGR |
| SGE 15 UK | 15 | 26 | 12 | 9 | 22 | 0.027 | GE 15 TXGR |
| SGE 17 UK | 17 | 30 | 14 | 10 | 25 | 0.041 | GE 17 TXGR |
| SGE 20 UK | 20 | 35 | 16 | 12 | 29 | 0.066 | |
| SGE 25 UK | 25 | 42 | 20 | 16 | 35.5 | 0.119 | |
| SGE 30 UK | 30 | 47 | 22 | 18 | 40.7 | 0.163 | |
| SGE 6 FW | 6 | 16 | 9 | 5 | 13 | 0.008 | |
| SGE 8 FW | 8 | 19 | 11 | 6 | 16 | 0.014 | |
| SGE 10 FW | 10 | 22 | 12 | 7 | 18 | 0.021 | |
| SGE 12 FW | 12 | 26 | 15 | 9 | 22 | 0.033 | |
| SGE 15 FW | 15 | 30 | 16 | 10 | 25 | 0.049 | |
| SGE 17 FW | 17 | 35 | 20 | 12 | 29 | 0.083 | |
| SGE 20 FW | 20 | 42 | 25 | 16 | 35.5 | 0.153 | |
| SGE 25 FW | 25 | 47 | 28 | 18 | 40.7 | 0.203 | |
| SGE 30 FW | 30 | 55 | 32 | 20 | 47 | 0.304 |
